


Ogranicznik poboru mocy OM-631

Parametry
- Stan
- Nowy
- Faktura
- Faktura VAT
- Rodzaj
- Ograniczniki przepięć
- Waga (z opakowaniem)
- 0,5 kg
- Certyfikat
- CE
- Stan opakowania
- oryginalne
- Stopień ochrony IP
- IP20
- Kod producenta
- OM-631
- Marka
- F&F
- Prąd znamionowy
- 0 A
- Napięcie pracy
- 230 V
- Ilość biegunów
- 1
Opis produktu
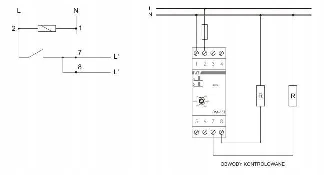
Ogranicznik poboru mocy OM-631

Montaż na szynie 35mm.
Przeznaczenie:
Ogranicznik poboru mocy służy do automatycznego odłączenia zasilania obwodu instalacji elektrycznej w przypadku przekroczenia ustalonej wartości mocy pobieranej przez odbiorniki w tym obwodzie.
Działanie:
Ogranicznik mocy pozwala na zasilanie obwodu gdy łączna moc odbiorników w kontrolowanym obwodzie jest niższa od ustalonej na skali ogranicznika. Przekroczenie ustalonego progu poboru mocy w obwodzie kontrolowanym powoduje odłączenie zasilania tego obwodu. Zasilanie zostanie wznowione automatycznie po ustawionym czasie. Jeżeli wartość pobieranej mocy nadal będzie większa od ustawionej nastąpi ponowne odłączenie zasilania obwodu. Ogranicznik posiada układ opóźniający jego zadziałanie (1,5÷2sek), co zapobiega wyłączeniu zasilania w przypadku chwilowych przekroczeń ustalonej mocy.
Ogranicznika mocy nie należy stosować w układach z elektronicznym zapłonem (świetlówki energooszczędne), zasilaczami impulsowymi i innymi urządzeniami generującymi wyższe harmoniczne od 3 wzwyż.
Dane techniczne:
zasilanie 230V AC
prąd obciążenia <16A
próg zadziałania - regulowany 200÷2000W
histereza 2%
opóźnienie zadziałania 1,5÷2sek
czas powrotu zasilania 30sek
pobór mocy 0,8W
temperatura pracy -25÷50°C
przyłącze zaciski śrubowe 2,5mm²
wymiary 2 moduły (35mm)
montaż na szynie 35mm
















